香蕉影视网站APP,香蕉电影网在线观看,国产香蕉视频黄色,成人香蕉网站入口

    微信谘詢

    400-888-5135

    3nh@3nh.com

    行業應用

    清漆、清油及稀釋劑顏色測定法《GB/T 1722-1992》

    發布時間:2024-06-17 17:20:27  

    《GB/T 1722-1992》中,規定了清漆、清油及稀釋劑顏色的兩種測定方法,一起來看看吧!

     清漆、清油及稀釋劑顏色測定法《GBT 1722-1992》6

    第一種:甲法鐵鈷比色法

    1方法提要

    將試樣鐙於玻璃試管中.以目視法將試樣與一係列標有色階標號的鐵鈷標準色階溶液進行比較來評定結果。

    2材料和儀器

    2.1無色玻璃試管:內徑10.75±0.05 mm,高111±1mm。

    2.2鐵鑽比色計

    23人造日光比色箱或木製暗箱:

    2.1人造日光比色箱的技術要求應符合GB 9761中的規定。

    3-2.2木製暗箱600 mmX500 mmX400 mm.如圖1所示。暗箱內用3 mm厚的磨砂玻璃將箱分成上下兩部分。磨砂玻璃的磨麵向下,使光線均勻。暗箱上部平行等距裝置15W日光燈2支。前麵按-擋光板.下部正麵敝開.用於檢驗.內壁塗無光黑漆。

     清漆、清油及稀釋劑顏色測定法《GBT 1722-1992》

    3測定方法

    將試樣裝入潔淨幹燥的試管(2.1)中.在23±2C.置於人造日光比色箱(2.1)或木製暗箱62.2)內.以30~50cm之間的視距的透射光下與鐵鈷比色計的標準色階溶液進行比較。選出二個試樣頻色深淺最接近的.或一個與試樣顏色深淺相同的標準色階溶液。以標準色階號數表示試樣顏色的等線。

    在測試時.試櫛若由於低溫而引起混濁,可在水浴上加熱至50~55C.保持5min.然後冷卻至23±2(.再保持5 min後進行測定。

     

    第二種:乙法羅維朋比色法

    1方法提要

    將試樣置於羅維朋比色計的樣品池中,用具有羅維朋色度標單位值的紅、黃、藍三原色濾色片與試樣進行目視匹配,當匹配色與試樣顏色一致時,以三濾色片的色度標單位值表示試樣的顏色。

    2材料和儀器

    2.1樣品池:10.0 mm,用於測深色的試樣;25.4 mm,用於測淺色的試樣;134 mm,用於測極淺色的試樣。

    2.2羅維朋比色計:

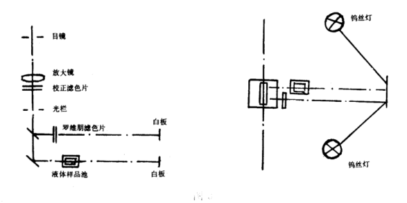
    2.2.1羅維朋比色計的結構如圖2所示。

     清漆、清油及稀釋劑顏色測定法《GBT 1722-1992》2

    2.2.2羅維朋比色計的光學係統如圖3所示。

     清漆、清油及稀釋劑顏色測定法《GBT 1722-1992》3

    2.2.3濾色片的羅維朋色度標單位值範圍:

    紅色濾色片0.1~0.91.0~9.0

    10.0~70.0

    黃色濾色片0.10.9

    1.0~9.0

    10.0~70.0

    藍色濾色片0.1~0.9

    1.0~9.0

    10.0-40.0

    中性灰色濾色片0.1~0.9

    1.02.00

    最小讀數為0.1羅維朋色度標單位。

    2.2.4測定方法

    按儀器說明書要求檢查儀器(2.2)使之達到規定狀態,標準白板放在規定位置上,將被測液體倒入產品標準規定規格的樣品池(2.1)中.放入儀器中。從目鏡中觀察試樣,調節各濾色片進行匹配組合。直至二濾色片組成的顏色與試樣顏色一致。記錄各濾色片色度標單位值及所用樣品池規格

    當使用一個或二個濾色片進行目視匹配時。如果濾色片較樣品暗.則需在祥品池外加中性灰色濾色片.使二卉顏色和亮度都一致。記錄各濾色片色度標單位值、樣品池規格及中性灰色濾色片色度標單位值。

     

     


    在線客服
    聯係方式
    • 400-888-5135
    • 3nh@3nh.com
    網站地圖